Mostrador de Pescadería DBNP-220 de DOCRILUC en acero inoxidable.
Unidad condensadora incluida
Bandeja de exposición de acero inoxidable autentico AISI 316 que evita la corrosión, incluso en ambientes más agresivos.
Chasis construido con tubo de acero inoxidable
Facilidad de limpieza total: Compartimento de equipo frigorífico hermético que permite la limpieza exterior del mueble con chorro de agua directo.
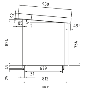
Espesor lateral costados: 40+40 mm
Aislamiento de poliuretano inyectado, densidad 40 kg/m3, bajo GWP y cero efecto ODP
DBFP-S: Pre-instalación, unidad condensadora incluida
DBNP, DBNP-S: Neutro, sin frío
Recomendación: Canalización de agua de desescarche desde desagüe hasta acometida de aguas
Largo mm: 2200












